Mechanical and Materials Engineering

Modelling technology for electromechanical coupling models of ionic liquid gel soft actuator

  • Guangping TIAN , 1 ,
  • Yongjian CAI 2 ,
  • Chenghong ZHANG 3
Expand
  • 1. Remanufacturing Division,State-owned Jinjiang Machinery Factory,Chengdu 610043,China
  • 2. Management Office of the Second Pumping Station,Jiangdu Key Water Conservancy Project,Yangzhou 225299,China
  • 3. School of Electronic Information Engineering,Guiyang University,Guiyang 550005,China

Received date: 2024-12-30

  Revised date: 2025-02-22

  Accepted date: 2025-02-01

  Online published: 2025-08-19

Abstract

In order to deeply study the driving performance of ionic liquid gel (ILG)as ionic electroactive polymer,developed a novel soft actuator based on ILG and conducted a detailed investigation into the electromechanical coupling model of the ILG soft actuator. According to the material properties and current response law of electroactive polymers,established electromechanical coupling equations and driving equations for ILG soft actuator based on the equivalent transformer model of ionic polymer-metal composite actuators proposed by Claudia Bonomo. The least squares method was used to identify the coupling model of the ILG soft actuator, and the influence of structural parameters on the end displacement and driving force of the soft actuator was analyzed, providing a theoretical basis for the control of soft actuators. The electromechanical coupling model of the ionic liquid gel soft actuator is established, which lays a foundation for the development of ionic liquid gel soft robots.

Cite this article

Guangping TIAN , Yongjian CAI , Chenghong ZHANG . Modelling technology for electromechanical coupling models of ionic liquid gel soft actuator[J]. Journal of Shenyang Aerospace University, 2025 , 42(4) : 45 -50 . DOI: 10.3969/j.issn.2095-1248.2025.04.007

离子液体凝胶是一种新型软机器人致动器柔性材料,主要包含聚合物和离子液体两种成分。ILG混合溶液由4种原料组成,即1-丁基-3-甲基咪唑四氟硼酸酯(BMIMBF4)、甲基丙烯酸羟乙酯(HEMA)、2-二乙氧基苯乙酮(DEAP)和TiO2。在紫外线灯下,它们聚合形成凝胶状聚合物1-2。传统的柔性机构是一类利用柔性材料的弹性变形来传递或转换运动、力或能量的机构3-4,在工作过程中需要外力提供驱动源,从而改变柔性机构的运动体。软体机器人是一种特殊类型的柔性机构,其机构本身具有主动变形能力,驱动机构提供驱动力和满足结构功能设计5-6
电活性聚合物(electroactive polymer,EAP)是软致动器的重要组成部分。用离子液体代替传统的电解质溶液,采用离子液体加载法制备的离子液体聚合物凝胶是一种新型的离子型EAP。用于制造离子型EAP致动器的离子液体聚合物凝胶需要高离子电导率、良好的电化学稳定性和高机械强度7-8。ILG是一种新型离子型EAP材料,阴离子和阳离子同时迁移引起致动器在外加电场作用下的响应。ILG软致动器在电压作用下的弯曲变形过程是一个复杂的电-化学-机械耦合过程。
目前,离子EAP软致动器的模型研究主要集中在IPMC等传统材料上9-10。对于传统的离子EAP,学者提出了等效电路模型和机电耦合模型,分别描述其电流响应、位移响应和输出驱动力。为了揭示ILG软致动器的电激励响应规律,本文将推导出ILG致动器的机电耦合控制模型。

1 基于ILG的软体致动器设计

ILG软体致动器有5层结构,如图1所示。其与传统电活性聚合物致动器的结构相似,且结构对称。中间层为ILG组成的电活性聚合物,用于储存离子液体。中间层外侧覆盖活性炭组成的软体致动器电极层,用于存储阴离子和阳离子。由于活性炭具有比表面积大、导电性强、密度大、吸附力强等特点,适合做软体致动器的电极材料。金箔作为集流器,粘贴在活性炭层的外表面。导线的一端连接到软体致动器外部的金属上,另一端连接到驱动电源。软体致动器可以通过悬臂梁固定,也可以垂直放置。
图1 ILG软体致动器的5层结构

2 离子液体凝胶驱动原理

离子液体BMIMBF4中阳离子BMIM+的体积远大于阴离子BF4 -的体积。当在致动器两侧施加直流电压时,在电场作用下,阴、阳离子分别向致动器电极的阳极、阴极侧移动,当离子液体穿过ILG凝胶层-活性炭层相互接触的边界时被活性炭吸附,分别积累在致动器两侧活性炭电极层上。假设致动器左侧电极板电压为正、右侧电极板电压为负,阳离子BMIM+向致动器右侧(阴极)活性炭层移动,阴离子BF 4 -向左侧(阳极)活性炭层移动。当离子运动达到稳定状态时,由于阴、阳离子的体积差异,致动器阴极一侧体积增大而伸长,阳极一侧体积减小而缩短,导致整个机器人致动器向阳极一侧(左侧)弯曲。

3 离子液体凝胶致动器控制模型

ILG软体致动器的导电过程可以归纳为离子电流、位移电流、电子电流的综合作用。ILG的离子电流由阴、阳离子同时向相反方向运动形成。由于ILG致动器中电子电流的响应速度远快于离子电流响应,因此二极管的导通电压很低,机器人致动器施加的电压远大于二极管的导通电压,电子电流的初始瞬态过程与离子电流相比可以忽略不计11。忽略电子电流的非线性,通过致动器的电子电流的值是恒定的,采用纯电阻支路对整个致动器的稳态特性进行建模。
因此,ILG软致动器的电流响应主要由离子电流和电子电流组成,表现为动态状态下的离子电流和静态状态下的电子电流。由于离子液体的黏度比水溶液大,因此电流响应速度比离子聚合物—金属复合材料慢12-13
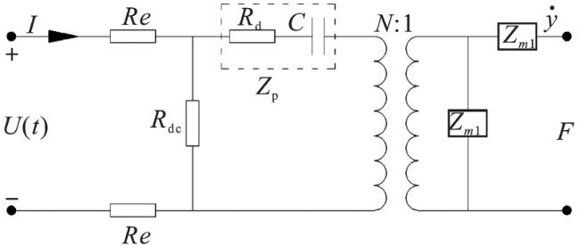
建立线性变压器等效电路模型(灰盒模型)来描述ILG致动器的机电耦合关系,并结合拉普拉斯变换,考虑致动器本身的结构参数,推导出系统输入、输出变量之间的关系14。ILG软体致动器机电耦合变压器等效模型如图2所示。
图2 ILG软体致动器机电耦合变压器等效模型
图2中,Re为致动器上、下极板金属层电阻;R dc为致动器直流稳态等效电阻;C为致动器电容;R d为动态等效电阻。将等效电路模型替换为Newbury变压器电路模型中的电气参数,得到图2所示的ILG软体致动器机电耦合变压器等效模型,其中变压器的左半部分为电气参数,右半部分为机械参数。变量UI分别为ILG软体致动器的电压和电流;F为致动器上的外力; y ˙为外力作用下致动器的速度。
采用线性耦合方程对力学和电学性能之间的耦合进行建模,并利用悬臂梁弯曲变形模型建立软体致动器的输入、输出关系。在机电耦合的数学建模中,假定电学和力学域中的变量是线性耦合的,两个域之间的能量转换可以通过系统状态变量的变化实现。
忽略重力对软体致动器的影响,将其简化为悬臂梁型致动器,其结构参数如图3所示。在分析致动器的弯曲变形时,致动器变形前的轴线为X轴,垂直向下的方向为Y轴,致动器的总长度为L,自由端长度为Lθ,宽度为w,厚度为b
图3 悬臂梁型致动器的结构参数
致动器在距支撑端距离LF 处施加的载荷F所产生的弯矩为
M = F ( L F - x )
式中:x为沿梁的弯曲方向到固定端的距离。
结合悬臂梁边界条件,x=LF 处的表达式为
y = 4 F L F 3 E w b 3
式中:E为杨氏(弹性)模量。
为了得到Zm 1的拉普拉斯域表达式,对式(2)进行拉普拉斯变换并求解Zm 1
Z m 1 = 1 s · E w b 3 4 L F 3
Zm 2是一个惯性项,在模型中加入Zm 2的目的是为了扩展致动器的有效频率范围,从而提高模型在一阶固有频率附近的精度。Zm 2在拉普拉斯域中的表达式为15
Z m 2 = s 3 L θ 4 ρ m w b L F 3 Γ 4
式中: Γ为一阶固有频率; ρ m为软致动器的密度。
图2电路中阻抗Zp 在拉普拉斯域的表达式为
Z p = b L w s ρ d s + 1 ε = 1 L w s b ε ρ d ε s + 1
采用网格电流法分析理想线性变压器模型中电压-电流的关系,网格电流方程与电压-电流的关系如式(6)所示。
U = R d c ( I - I 1 ) U = I 1 Z p + U 1 F = Z m 2 y ˙ + Z m 1 y ˙ - y ˙ 1 F 1 + Z m 1 y ˙ 1 - y ˙ = 0 y ˙ 1 = - N I 1 F 1 = 1 N U 1
消去式(6)中的中间变量 I 1 U 1 F 1 y ˙ 1,求解线性耦合方程组为
U F = R d c N 2 Z m 1 + Z p R d c + N 2 Z m 1 + Z p N R d c Z m 1 R d c + N 2 Z m 1 + Z p N R d c Z m 1 R d c + N 2 Z m 1 + Z p R d c + Z p Z m 1 + Z m 2 + N 2 Z m 1 Z m 2 R d c + N 2 Z m 1 + Z p I y ˙
软体致动器时域的挠度表达式为
y ( t ) = - 3 U L F 2 K d b 2 [ Z d ω n ' 2 - Z d ω n ' 2 e - ς ' ω n ' t c o s ω n ' 1 - ς ' 2 t - Z d ς ' - ω n ' ω n ' 2 1 - ς ' 2 e - ς ' ω n ' t s i n ω n ' 1 - ς ' 2 t ]

4 结构参数对软体致动器性能的影响

4.1 对末端位移的影响

在阶跃驱动电压作用下,软体致动器末端位移的时域表达式为
y ( t ) = - U L 0 2 b 2 7.334   4 × 10 - 6 [ 37.690   2 - 37.690   2 e - 0.046   1 t c o s 0.058   1 t - 12.680   1 e - 0.0461 t s i n 0.058   1 t ]
其稳态值为
y ( ) = - U L 0 2 b 2 2.764   4 × 10 - 4
致动器的理论位移与自由端长度与厚度之比的平方成正比,与致动器宽度无关。增加致动器宽度相当于多个窄致动器的平行排列,且每个软体致动器的运动相互独立,因此软体致动器的末端位移是相同的。

4.2 对驱动力的影响

在阶跃电压作用下,软体致动器驱动力的时域表达式为
F ( t ) = U b w L 0 1.463   2 × 10 - 2 [ 37.690   2 - 37.690   2 e - 0.046   1 t c o s 0.058   1 t - 12.680   1 e - 0.046   1 t s i n 0.058   1 t ]
稳态值为
F ( ) = 0.551   5 U b w L 0
软机器人的稳态驱动力与致动器的厚度和宽度成正比,与致动器的自由端长度成反比。由于ILG中所含离子液体的占比较大,而致动器的弹性模量较小,因此软致动器的驱动力较小。

5 离子液体凝胶致动器实验

软体致动器测试的输入信号为方波,其幅值为4 V、周期为30 s、占空比为50%,数据采样间隔为0.064 s,位移读数的间隔为2 s。软体致动器尺寸为35 mm×5 mm×0.5 mm,其中,自由段长度为30 mm,凝胶层的平均厚度约为0.4 mm。
当致动电压为4 V时,选取空载情况下软体致动器两个周期内的摆动过程截图,如图4所示。其中,0~30 s的图片表示加电后第一个周期内软体致动器的运动过程状态;90~120 s的图片表示随机选取的一个周期内软体致动器的运动过程状态。当施加电压为4 V时,软体致动器左侧的最大摆幅为4.8 mm,右侧的最大摆幅为5.0 mm。
图4 软体致动器两个周期内的摆动过程截图
在软体致动器的性能测试中,其左侧最大摆幅为4.7~4.8 mm,右侧最大摆幅为4.9~5.0 mm。右侧摆幅略高于左侧(差异约4.2%),但若需实现高精度控制,需进一步优化对称性,可能涉及致动器离子凝胶材料、活性炭电极,需进一步提高软体致动器制作工艺水平。

6 结论

本文对ILG软体致动器机电耦合模型进行深入研究,提出了完整的建模思路,为ILG软机器人机构和控制方法的设计提供了理论依据。基于Claudia Bonomo提出的离子聚合物—金属复合材料致动器电学模型,结合ILG材料的特性,建立了致动器机电耦合模型。结合拉普拉斯变换,在考虑致动器结构参数的情况下,导出了致动器的机电耦合方程组,给出了系统输入、输出变量的对应关系,描述了致动器的几何参数/材料特性参数对致动器末端位移和驱动力的影响。机电耦合灰盒模型有效地模拟了致动器的机电转换特性。结合几何参数/材料的机电耦合灰盒模型对ILG软体致动器具有较好的拟合性和较高的精度。
[1]
Hao X J Wenren H Y Wang X L,et al.A gel polymer electrolyte based on PVDF-HFP modified double polymer matrices via ultraviolet polyme-rization for lithium-sulfur batteries[J].Journal of Colloid and Interface Science2019558(9):145-154.

[2]
He B Zhang C H Zhou Y M,et al.A computing method to determine the performance of an ionic liquid gel soft actuator[J].Applied Bionics and Biomechanics20182018:8327867.

[3]
Guo F Sun T Wang P F,et al.Multi-stability of a planar three-limb flexible mechanism[J].Mechanism and Machine Theory2022175:104956.

[4]
Zhao J C Wang X Y Meng C,et al.Dynamic mo-deling and analysis of thrust reverser mechanism considering clearance joints and flexible component[J].Aerospace20229(10):611.

[5]
Zhang Y Huang P Y You B,et al.Design and motion simulation of a soft robot for crawling in pipes[J].Applied Bionics and Biomechanics20232023:5334604.

[6]
Wang R Q Zhang C Zhang Y W,et al.Fast-swimming soft robotic fish actuated by bionic muscle[J].Soft Robotics202411(5):845-856.

[7]
Ma Z Q Sameoto D.A review of electrically driven soft actuators for soft robotics[J].Micromachines202213(11):1881.

[8]
Li D C Fan D L Zhu R J,et al.Origami-inspired soft twisting actuator[J].Soft Robotics202310(2):395-409.

[9]
Annabestani M Naghavi N Maymandi-Nejad M.From modeling to implementation of a method for restraining back relaxation in ionic polymer-metal composite soft actuators[J].Journal of Intelligent Material Systems and Structures201829(15):3124-3135.

[10]
He Q S Yin G X Vokoun D,et al.Review on improvement,modeling,and application of ionic polymer metal composite artificial muscle[J].Journal of Bionic Engineering202219(2):279-298.

[11]
Olsen Z J Kim K J.Characterizing the transduction behavior of ionic polymer-metal composite actuators and sensors via dimensional analysis[J].Smart Materials and Structures202231(2):025014.

[12]
Lin F M Xu H D Wang T,et al.Development of IPMC actuators with high bending uniformity and orientation[J].Smart Materials and Structures202433(6):065035.

[13]
Tamagawa H Kojima I Torii S,et al.Enhancement of IPMC bending controllability through immobile negative charges and electrochemically reactive substances within IPMC body[J].Actuators202413(12):517.

[14]
Zhang W Jin K Ren Z,et al.High-performance MXene/carbon nanotube electrochemical actuators for biomimetic soft robotic applications[J].Advanced Functional Materials202434(48):2408496.

[15]
Kondo K Takagi K Zhu Z C,et al.Symbolic finite element discretization and model order reduction of a multiphysics model for IPMC sensors[J].Smart Materials and Structures202029(11):115037.

Outlines

/