Mechanical and Materials Engineering

Damage monitoring of carbon fiber composite material based on carbon nanopaper sensors and deep learning

  • Yuqiao DU , a ,
  • Chengkun MA b ,
  • Baitao WANG a ,
  • Chenyu WANG a ,
  • Lu ZHANG b ,
  • Xiaoqiang WANG , a
Expand
  • a. College of Aerospace Engineering, Shenyang Aerospace University,Shenyang 110136,China
  • b. College of Material Science and Engineering, Shenyang Aerospace University,Shenyang 110136,China

Received date: 2024-02-29

  Online published: 2024-08-30

Abstract

The damage mechanism of fiber reinforced resin matrix composites is complex.To ensure long-term stable application,advanced health monitoring technology must be used to monitor the damage.A sensor based on carbon nanopaper can sensitively monitor resistance changes and impact damage on carbon fiber reinforced polymer (CFRP)composite.A damage monitoring system based on an artificial neural network (ANN) deep-learning algorithm was designed.Through data analysis,the system could effectively monitor the occurrence and location of CFRP damage for a long time,and the damage location accuracy was as high as 92%.It can be inferred that the damage monitoring system can evaluate the health status of composite materials.

Cite this article

Yuqiao DU , Chengkun MA , Baitao WANG , Chenyu WANG , Lu ZHANG , Xiaoqiang WANG . Damage monitoring of carbon fiber composite material based on carbon nanopaper sensors and deep learning[J]. Journal of Shenyang Aerospace University, 2024 , 41(3) : 43 -52 . DOI: 10.3969/j.issn.2095-1248.2024.03.007

为了减小飞机质量并提高燃油效率,研究人员正试图通过使用另一种材料代替飞机上的部分金属材料来减小飞机的总体质量。其中,纤维增强树脂基复合材料是一种各项机械性能较好的新型材料1-3,因此许多机构正使用层压复合材料代替飞机零部件中的重金属材料。F35中复合材料使用量高达50%,A380使用量约为25%。这种做法可以在不降低飞机机械性能的情况下提高燃油效率。
与金属材料相比,纤维增强树脂基复合材料具有轻质高强、可设计性强、耐腐蚀和抗疲劳等优点。因此这些材料正被广泛地应用在航空航天、风电及汽车等领域。而在纤维增强树脂基复合材料中,碳纤维增强聚合物复合材料因其优异的性能脱颖而出。但纤维铺层复合材料结构易受到外在物体的冲击,且纤维铺层复合材料的韧性较差,从而限制了其承载能力,最终导致在受到冲击后其结构强度、稳定性和使用寿命将会极大降低4-6。CFRP内部损坏很难通过目视检查监测,因此,CFRP需要一个实时损伤监测系统7-8
传统的损伤监测方法有超声波扫描9-10、射线照相检查11-12和热成像技术13-14等。然而,由于耗时长或检查范围窄等缺点,这些方法很难在实时监测中使用。为了解决这个问题,研究人员开发出了一种使用压电传感器和光纤传感器15的方法。然而,压电传感器对外部环境敏感,频率响应不稳定,需要外接直流电源,无法测量零信号。光纤传感器嵌入系统中会导致基体损坏,对外部环境敏感,价格偏高。因此,本文采用碳纳米纸传感器来对CFRP进行损伤监测16-17,该传感器利用由基体损坏所引起的传感器上电阻变化进行损伤监测18-19。相对比于其他传感器,碳纳米纸传感器具有适用范围广、成本低、可与CFRP一体成型、可测量零信号、对外部环境不敏感等优点20-21,因此碳纳米纸传感器相对于其他传感器更适用于损伤监测。基于该传感器的特性22-23,可以识别CFRP的损伤位置。利用在CFRP的表面上贴合的碳纳米纸传感器来获得电阻变化值,传感器之间通过固定的排列顺序组合形成矩阵。通过传感器矩阵,可以实时监测CFRP的损伤位置。
人工神经网络是指从信息处理的角度对人脑神经元网络进行抽象模拟,建立某种简单模型,按不同的连接方式组成不同的网络24。ANN主要分为输入层、隐藏层、输出层3个部分。将数据由输入层输入,在隐藏层中进行一系列的推导演算,得出的结果在输出层显示出来。在人工神经网络算法中,信号通过非线性函数(激活函数)传输25-26。S形函数和校正线性单元(rectified Linear Units,ReLU)函数主要用作激活函数。根据激活函数信号的各自特性对其进行分类。
隐藏层并不是凭空出现的,隐藏层的建立需要大量已知的输入层与输出层作为训练数据。如果一个由人工神经网络建立的模型拥有大量的训练数据,那么这个模型中的隐藏层中的算法就会越加成熟。深度学习最近被用于提高损伤监测的准确性和反应速度上27-28。由于重复通过CFRP上碳纳米纸传感器的电阻变化来人工监测损坏位置过于繁琐,且重复监测大量电阻变化与深度学习的训练有极高的契合度,因此有必要使用深度学习技术实现实时损伤监测29。通过建立好的ANN模型24来自动识别损伤位置。为了提高该模型损伤监测的准确性,需要获得大量实验数据,并通过实验数据训练该模型。然后,通过实验测量损伤前后的CFRP面板上碳纳米纸传感器的电阻变化,并基于深度学习模型预测损伤位置。最后将实际的损伤图像与预测图像进行对比。图1是本研究的简易流程图。

1 实验材料和方法

1.1 碳纳米纸传感器的传导机制

碳纳米管是一种典型的介孔材料,具有高比表面积、规则的孔状结构和较小的孔径分布。当其与环氧树脂固化后,树脂填充了碳纳米管网络结构中的空隙,并与碳纳米管完全融合成为一个整体。由于树脂不具备导电性,因此碳纳米纸传感器的电阻可以分为碳纳米管的固有电阻和由碳纳米管之间的相互作用引起的接触电阻两种类型。当碳纳米管分散在环氧树脂中并整体固化时,碳纳米管之间会形成一层绝缘的环氧树脂薄层。因此,接触电阻中包含了没有绝缘的碳纳米管的直接接触电阻与碳纳米管上通过隧道效应产生的接触电阻30-31。接触电阻可以通过以下公式来描述
R 2 = R d c + R t
式中: R 2为接触电阻; R d c为直接接触电阻; R t为隧道效应电阻。
碳纳米纸传感器的电阻可以通过以下公式近似计算
R = i = 1 N f ( R 1 ) + i = 1 N f ( R 2 )
式中: R 1为固有电阻。
为了更好地反映传感器的灵敏度和稳定性,在实际应用中使用了相对电阻变化的概念。复合材料中碳纳米纸传感器的相对电阻变化定义为
R R 0 = R - R 0 R 0
式中: R为试样拉伸过程中传感器在不同应变下的实际电阻; R 0为制备试样时的初始电阻。
当受到外力拉伸时,传感器的传感模型如图2所示。当传感器处于原始状态时,碳纳米管相互重叠,形成复杂的重叠点供电子移动,导电负载可以很容易地转移,如图2a所示。当传感器受到外部负载时,结构中的碳纳米管将向应力方向移动,它们之间的重叠将减少,导电负载的转移路径减少。同时,传感器在应力方向上的电阻会增加,在垂直于应力方向的电阻会减少,如图2b所示。在这种状态下,碳纳米管在相反的方向上移动,并在垂直于应力的方向上压缩。此时,如果负载被移除,传感器的电阻可以恢复到原始位置。如果传感器上的负载继续增加,传感器中碳纳米管的搭接将完全断裂,甚至一些碳纳米管会断裂,传感器的电阻将急剧增加。即使卸下负载,传感器的电阻也不会恢复到原来的位置,也就是说,内部会发生永久性损坏,如图2c所示。电阻信号的急剧变化将为结构健康监测提供可能的损伤指示。因此选择碳纳米纸传感器为CFRP进行损伤监测。
图2 碳纳米纸传感器的传导模型

1.2 碳纳米纸传感器的制备

1.2.1 原材料

树脂基体所用的双酚A型环氧树脂E541值为0.52~0.55 eq/100 g,由济宁绿联化学科技有限公司提供;酚醛环氧树脂F46环氧值为0.51~0.54 eq/100 g,由济宁宏明化学试剂有限公司提供;碳纤维由东丽PAN基碳纤维提供,纤维原丝直径为7 µm。
商用多壁碳纳米管由徐州宏武纳米材料科技有限公司提供;Triton表面活化剂由上海蒂凯姆实业有限公司提供;去离子水由沈阳汇源蒸馏水厂提供。

1.2.2 制备流程

碳纳米纸传感器的主要制备步骤如下:首先,将700 mg的商用多壁碳纳米管(MWCNT)(纯度为98%,直径为5~12 nm,长度为30~50 nm)和5 mL浓度为2%的Triton表面活性剂混合,将它们放入研钵中研磨30 min,直到它们完全混合。将1 000 mL去离子水添加到研磨混合物中并搅拌2 h。然后,对混合物进行超声处理,将超声机在100 W功率下以脉冲模式(2 s开,2 s关)超声处理40 min,并在3 500 r/min下离心处理1 h。分散过程完成后,将滤纸装入真空过滤装置中,将溶液倒入真空过滤装置进行过滤。溶液中的碳纳米管在真空过滤装置中附着于滤纸上。当溶液在真空过滤装置中过滤完成后,使用大量去离子水彻底洗涤滤纸上的碳纳米纸以去除吸附于表面的活性剂,将附着碳纳米管的滤纸取出之后在160 °C的烘箱中干燥6 h,然后将碳纳米纸从滤纸上剥离。使用时,需将其切成直径为10 mm的圆形,具体过程如图3所示。
图3 碳纳米纸传感器的制备流程示意图

1.2.3 传感器封装

柔性印刷电路(flexible printed circuit,FPC)是一种可以适当弯曲和扭曲而不会损坏导体的电路,本文使用的FPC为一种外圆直径为10 mm,内圆直径为6 mm的环形圆片且在环状圆片上间隔90°的距离分布4个暴露在外的导电铜箔电路。它可以根据放置环境的不同要求嵌入柔性轻质材料中。因为FPC的厚度只有0.1 mm,这降低了在植入过程中由于人为因素导致传感器故障的风险。将上一步骤中制造的碳纳米纸切成直径为10 mm的小圆片,将导电银膏滴在暴露在外的4个导电铜箔处,将切好的碳纳米纸小圆片黏合到环形FPC上,然后将其置于100 ℃的烘箱中干燥40 min。碳纳米纸传感器的最终厚度约为132 µm。
碳纳米纸的性能参数如表 1所示。
表 1 碳纳米纸的性能参数
材料 厚度/μm 直径/mm 表面密度/(mg·mm-2
碳纳米纸 45 100 0.054 3
材料

体积密度/

(mg·mm-3

孔隙度/%

导电率/

(s·m-1

碳纳米纸 0.605 69.8 3 280
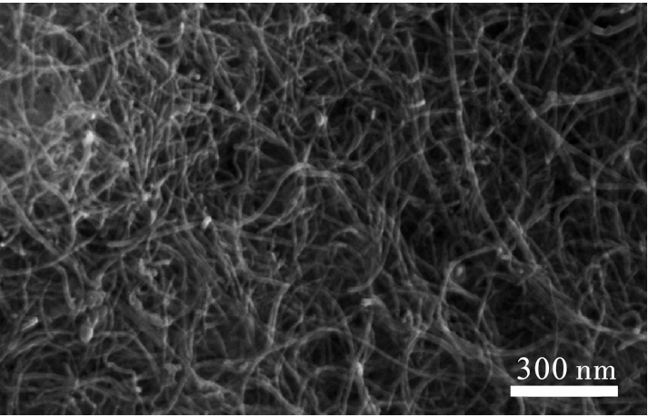
通过全自动比表面积和孔径分析仪,碳纳米纸的孔径大多在10~45 nm,因此碳纳米纸本身具有高渗透性,有利于树脂的润湿。碳纳米纸的光学和扫描电子显微镜(SEM)图像如图4所示。从图4中可以清楚地看到碳纳米纸中碳纳米管的重叠状态和碳纳米管之间的孔结构,且碳纳米管的分布非常均匀,没有明显的团聚现象。碳纳米纸的孔结构表明,树脂可以渗透到这种结构中,并形成树脂基体的3D交联网络。碳纳米纸独特的结构有助于电荷转移,促进高导电性的形成,为传感器的实际应用奠定良好的基础。
图4 碳纳米纸的SEM图像

1.3 碳纤维复合材料层合板的制备流程

CFRP面板是通过层压16片120 mm×120 mm碳纤维/聚丙烯单向预浸料(Ticona,厚度为0.15 mm)来制造的,如图5所示。堆叠顺序为 [ 0 4 / 90 4 ] S [ 0 16 ] T。在导电网络的顶部或底部预浸料上以 4 × 4的排列顺序间隔20 mm的距离贴上碳纳米纸传感器。然后,将层压的预浸料放入金属模具后置入模压机中,以压力1 MPa 温度220 °C进行热压10 min,随后以每分钟1 °C的速度冷却至室温。图5b显示了制造的CFRP面板的几何形状。将直径为10 mm的碳纳米纸传感器以一定的排列顺序贴在CFRP的顶部或底部表面。
图5 CFRP面板的制备流程与几何形状示意图

2 损伤实验和深度学习过程

2.1 实验流程

CFRP损伤传感的实验如图6所示。首先,利用电阻测量仪测量在CFRP表面黏贴的碳纳米纸传感器的基础电阻(图6a);然后,将其放置在空心的正方形夹具上,将直径约为20 mm的半球形尖端抬高至30 cm的高度自由下落,对CFRP上选定的位置进行冲击破坏,如图6b所示。记录损伤后的CFRP面板上的碳纳米纸传感器的电阻与基础电阻,将得到的电阻变化值与CFRP面板的真实损坏位置导入到上述基于ANN的算法中。当基于ANN的算法得到大量的训练数据后,将在实验中获得的各个碳纳米纸传感器的电阻变化值导入算法中,并预测CFRP面板的损伤位置与损伤区域,通过目测查看CFRP板的真实损伤位置和损伤区域,并将其与预测的损伤传感结果进行比较。

2.2 人工神经网络与深度学习的具体流程与步骤

在这项工作中,使用了基于Python语言的TensorFlow对ANN算法进行编码。把每个碳纳米纸传感器的电阻变化值作为输入层,将其送入基于ANN建立的深度学习模型中去,将CFRP板上该节点是否破坏作为输出层。中间的隐藏层则由ReLU功能组成并实现。因此,如果CFRP板上该节点已经破坏设定为数字1,该节点未破坏设定为数字0,将CFRP板均匀地分为4×4共16个部分,每部分都代表着CFRP板在该部分的损坏情况,而碳纳米纸传感器的排列顺序则完全可以监测CFRP板上的每一个角落。当CFRP板上的某处发生破坏,则距离最近的碳纳米纸传感器上的电阻必定会发生变化,因此获得输入数值。由于实验中CFRP板上的破坏位置已知,由此获得输出数值。该过程如图7所示。通过大量的已知输入与输出数值来训练该人工神经网络的模型,使其隐藏层不断完善,当训练到一定程度后则可以通过将数据输入到输入层,通过隐藏层中训练好的算法来推导出输出层。为了提高神经网络的准确性与优化速度,使用了Adam优化算法32。此外,为了防止过度拟合,应用了dropout。
图7 人工神经网络示意图和激活函数示意图

3 实验结果

图8所示,使用了fluke来监督各个碳纳米纸传感器的电阻变化。首先,测试碳纳米纸传感器对CFRP面板上的破坏响应是否迅速。当半球体尖端落到CFRP面板上距离单个碳纳米纸传感器较近的位置时,该碳纳米纸传感器上的电阻变化极其明显,而距离较远的碳纳米纸传感器上的电阻变化则几乎没有影响,如图8a所示。接下来测试碳纳米纸传感器的响应距离。当半球体尖端落在两个碳纳米纸传感器的中心点时,这两个碳纳米纸传感器上的电阻变化依然很明显,而其他传感器则几乎没有影响,如图8b所示。而当半球体尖端落在4个碳纳米纸传感器的正中心时,这4个碳纳米纸传感器的电阻变化依旧非常明显,其他距离较远的碳纳米纸传感器则基本没有影响,如图8c所示。
图8 不同冲击实验下电阻变化对照图
利用CFRP面板的损伤传感实验。我们先测量出未破坏的堆叠序列为 [ 0 16 ] T的试样电阻变化,图9a显示了比较结果,可以预测为未损伤状态。
图9 堆叠序列为 [ 0 16 ] T的试样损伤位置预测结果与实际损伤位置
为了产生分层,分别以15、30 cm的高度将直径约为20 mm的半球形尖端自由下落,进而冲击堆叠序列为 [ 0 16 ] T试样的中心,并在损伤前后测量电阻的变化。根据测得的电阻变化,通过深度学习算法预测损伤位置,将预测结果与实验结果进行对比。由于试件直接断裂,如图9b所示,在断面处试件由于分层和断裂,试件变形严重,因此试件破坏部分包含断裂线两侧,证实了预测结果和实验结果相似。
图10a显示了堆叠序列 [ 0 4 / 90 4 ] S的试样左上侧距离中心60 mm的位置被冲击时的实际与预测损伤位置的结果,可以成功地预测损伤位置。
图10 堆叠序列 [ 0 4 / 90 4 ] S的试样损伤位置预测结果与实际损伤位置比较
图10b显示了堆叠序列 [ 0 4 / 90 4 ] S的试样左上侧距离中心60 mm和30 mm依次被冲击损伤时的结果,可以成功预测所有损伤位置。
图10c显示了堆叠序列 [ 0 4 / 90 4 ] S的试样左上侧距离中心60 mm、30 mm和5 mm位置,依次被冲击损伤时的结果,可以成功预测所有损伤位置。
通过以上对比可知,电阻变化法可以准确预测损伤位置。此外,还可以成功地检测不同时间点的多次多地损伤位置。因此,通过结合基于ANN模型的深度学习,使用电阻变化法的CFRP损伤传感器可以成功地预测损伤位置。
当不断增加训练数据后,该算法的准确度也在提升,如图11所示,最后精确度提升至约92%。
图11 神经网络模型验证精度

4 结论

(1)通过碳纳米纸传感器的传导机制,根据碳纳米纸传感器的制备工艺,成功制备出了碳纳米纸传感器,并将其应用到碳纤维复合材料层合板的监测上。
(2)根据深度学习的基本逻辑,成功建立起一套较为完整的人工神经网络模型,并使用现有的数据成功验证了该模型的可行性。
(3) 使用该人工神经网络进行了碳纤维复合材料层合板损伤传感,具有92%的高精度。该损伤检测技术有望应用于碳纤维复合材料的结构健康监测。
1
Lim A S Melrose Z R Thostenson E T,et al .Damage sensing of adhesively-bonded hybrid composite/steel joints using carbon nanotubes[J].Composites Science and Technology201171(9):1183-1189.

2
Senthilnathan K Hiremath C P Naik N K,et al .Microstructural damage dependent stiffness prediction of unidirectional CFRP composite under cyclic loading[J].Composites Part A:Applied Science and Manufacturing2017100:118-127.

3
Wu Z J Cui H Y Chen L,et al.Interfacially reinforced unsaturated polyester carbon fiber composites with a vinyl ester-carbon nanotubes sizing agent[J].Composites Science and Technology2018164(21):195-203.

4
Fotouhi M Sadeghi S Jalalvand M,et al.Analysis of the damage mechanisms in mixed-mode delamination of laminated composites using acoustic emission data clustering[J].Journal of Thermoplastic Composite Materials201730(3):318-340.

5
Ladani R B Wu S Y Kinloch A J,et al .Enhan-

cing fatigue resistance and damage characterisation in adhesively-bonded composite joints by carbon nanofibres[J].Composites Science and Techno-logy2017149(5):116-126.

6
Cheng F Hu Y Yuan B,et al.Transverse and longitudinal flexural properties of unidirectional carbon fiber composites interleaved with hierarchical Aramid pulp micro/nano-fibers[J].Composites Part B2020188:107897.

7
Farrar C R Worden K.An introduction to structural health monitoring[J].Philosophical Transactions Series A,Mathematical,Physical,and Engineering Sciences2007365(1851):303-315.

8
Kralovec C Schagerl M.Review of structural health monitoring methods regarding a multi-sensor approach for damage assessment of metal and composite structures[J].Sensors202020(3):826.

9
Ryu C H Park S H Kim D H,et al.Nondestructive evaluation of hidden multi-delamination in a glass-fiber reinforced plastic composite using terahertz spectroscopy[J].Composite Structures2016156:338-347.

10
Loutas T H Vavouliotis A Karapappas P,et al .Fatigue damage monitoring in carbon fiber reinforced polymers using the acousto-ultrasonics technique[J].Polymer Composites201031(8):1409-1417.

11
Han D H Kang L H.Nondestructive evaluation of GFRP composite including multi-delamination u-sing THz spectroscopy and imaging[J].Composite Structures2018185(11):161-175.

12
Patil S Mallikarjuna Reddy D.Impact damage a-ssessment in carbon fiber reinforced composite u-sing vibration-based new damage index and ultrasonic C-scanning method[J].Structures202028(4):638-650.

13
Chatterjee K Tuli S Pickering S G,et al.A comparison of the pulsed,lock-in and frequency modulated thermography nondestructive evaluation techniques[J].NDT & E International201144(7):655-667.

14
Balasubramaniam K Fiborek P Ziaja D,et al .Global and local area inspection methods in da-mage detection of carbon fiber composite structures[J].Measurement2022187(9-10):110336.

15
Tsuda H Takahashi J Urabe K,et al .Damage monitoring of carbon fiber reinforced plastics with Michelson interferometric fiber-optic sensors[J].Journal of Materials Science199934(17):4163-4172.

16
Lu S W Chen D Wang X Q,et al.Monitoring the manufacturing process of glass fiber reinforced composites with carbon nanotube buckypaper sensor[J].Polymer Testing201652(4):79-84.

17
Wang X Q Li B Zhang D Q,et al.Strain monito-ring using carbon nanotube buckypaper sensor on composite repaired structure[J].Applied Physics A2021127(12):935.

18
Wang X J Chung D D L.Self-monitoring of fatigue damage and dynamic strain in carbon fiber polymer-matrix composite[J].Composites Part B:Engineering199829(1):63-73.

19
Wen J Xia Z H Choy F.Damage detection of carbon fiber reinforced polymer composites via electrical resistance measurement[J].Composites Part B:Engineering201142(1):77-86.

20
Liu L Wu J W Zhou Y X.Enhanced delamination initiation stress and monitoring sensitivity of quasii-sotropic laminates under in-plane tension by interleaving with CNT buckypaper[J].Composites Part A:Applied Science and Manufacturing201689(3):10-17.

21
Liu L T Ye X Y Wu K,et al.Humidity sensitivity of carbon nanotube and poly (dimethyldiallyla-mmonium chloride) composite films[J].IEEE Sensors Journal20099(10):1308-1314.

22
Her S C Hsu W C.Strain and temperature sensitivities along with mechanical properties of CNT buckypaper sensors[J].Sensors202020(11):3067.

23
Alexopoulos N D Bartholome C Poulin P,et al .Structural health monitoring of glass fiber reinforced composites using embedded carbon nanotube (CNT) fibers[J].Composites Science and Technology201070(2):260-271.

24
Chen Y Y Lin Y H Kung C C,et al.Design and implementation of cloud analytics-assisted smart power meters considering advanced artificial inte-lligence as edge analytics in demand-side management for smart homes[J].Sensors201919(9):2047.

25
Sharma S.Activation functions in neural networks[J].Towards Data Science20204(12):2455-2143.

26
Feng J L Lu S N.Performance analysis of various activation functions in artificial neural networks[J].Journal of Physics:Conference Series20191237(2):022030.

27
Qian C Ran Y M He J J,et al.Application of artificial neural networks for quantitative damage detection in unidirectional composite structures based on Lamb waves[J].Advances in Mechanical Engineering202012(3):1-9.

28
Oliver G A Ancelotti A C Gomes G F.Neural network-based damage identification in composite laminated plates using frequency shifts[J].Neural Computing and Applications202133(8):3183-3194.

29
Yu M H Kim H S.Deep-learning based damage sensing of carbon fiber/polypropylene composite via addressable conducting network[J].Composite Structures2021267(9):113871.

30
Hu N Karube Y Arai M,et al.Investigation on sensitivity of a polymer/carbon nanotube compo-site strain sensor[J].Carbon201048(3):680-687.

31
Hu N Karube Y Yan C,et al.Tunneling effect in a polymer/carbon nanotube nanocomposite strain sensor[J].Acta Materialia200856(13):2929-2936.

32
Srivastava N Hinton G Krizhevsky A,et al.Dropout:a simple way to prevent neural networks from overfitting[J].201415(1):1929-1958.

Outlines

/