机械与材料工程

一种雪板五维力测量系统

  • 李勇 , 1 ,
  • 李国文 2 ,
  • 李强 1 ,
  • 张洋 1 ,
  • 王为铭 1
展开
  • 1. 中航工业空气动力研究院 精密制造七部,沈阳 110034
  • 2. 沈阳航空航天大学 航空发动机学院,沈阳 110136

李勇(1978—),男,辽宁海城人,高级工程师,主要研究方向为天平、模型及测试设备研制,E-mail:

收稿日期: 2024-06-05

  修回日期: 2024-12-19

  录用日期: 2024-12-21

  网络出版日期: 2025-05-27

基金资助

国家重点研发计划项目(2021YFF0306400)

A snowboard five-dimensional force measurement system

  • Yong LI , 1 ,
  • Guowen LI 2 ,
  • Qiang LI 1 ,
  • Yang ZHANG 1 ,
  • Weiming WANG 1
Expand
  • 1. Precision Manufacturing Department Seven,AVIC Aerodynamics Research Institute,Shenyang 110034,China
  • 2. College of Aero Engine,Shenyang Aerospace University,Shenyang 110136,China

Received date: 2024-06-05

  Revised date: 2024-12-19

  Accepted date: 2024-12-21

  Online published: 2025-05-27

摘要

为实现滑雪运动时雪板受力情况的测量分析,需要开展雪板测量系统的研制开发。在总结分析已有类似产品使用问题的基础上,采用2个三维力传感器组合的结构布局、信号调理与无线传输相集成的电路设计,成功研制一种雪板五维力测量系统。该系统具有较高的刚度、固有频率,较好的动态测量性能。三分量传感器的静态精度优于0.2%FS,静态准度优于0.4%FS。应用本系统进行着陆冲击的动态性能测试,测试结果与理论分析具有较好的一致性。测试过程各传感器的各元回零良好,动态性能稳定,测量载荷规律合理。该系统的成功研制,为滑雪、滑冰等运动的多维力测量系统的研发提供了借鉴与参考,为体育运动测量系统国产化及自主可控奠定了良好的基础。

本文引用格式

李勇 , 李国文 , 李强 , 张洋 , 王为铭 . 一种雪板五维力测量系统[J]. 沈阳航空航天大学学报, 2025 , 42(2) : 38 -43 . DOI: 10.3969/j.issn.2095-1248.2025.02.005

Abstract

In order to measure and analyze the forces on skis during skiing,It is necessary to develop the snowboard measuring system.On the basis of summarizing and analyzing the use of similar products,the integrated circuit design of signal conditioning and wireless transmission,and two dimensional force sensor combination were adopted,a five-dimensional force measurement system for snowboard was developed successfully.The system has higher stiffness,natural frequency and better dynamic measurement performance.The static accuracy of the three-dimensional force sensor is better than 0.2%FS,and the static accuracy is better than 0.4%FS.The dynamic performance of landing impact is tested by the system,and the test results are in good agreement with the theoretical analysis.In the testing process,all the sensors return to zero well,the dynamic performance is stable,and the law of measuring load is reasonable.The successful development of the system provides reference for the research and development of multimensional force measuring system for skiing and skating,and lays a good foundation for the localization and self-control of sports testing device.

滑雪运动1是运动员把滑雪板装在靴底,在雪地上进行运动、跳跃2和滑降3的竞赛运动,它既是人类向自然环境发起的挑战,也是对自身的一种挑战。现如今,滑雪运动已发展成为一类热门的体育竞技项目。
为了提高滑雪运动员训练的科学性和高效性,科学化的训练模式是当今体育制胜的重要组成部分。科学化训练4是利用科学手段对运动训练相关因素合理有效地整合,并通过持续探索制胜规律,使运动员的相关能力向可监控与可预测的方向发展。
滑雪运动过程中实时测量人体受力,可以了解运动员的运动姿态、发力状态与雪场雪面状态,进而指导运动员的训练动作。我国的滑雪运动起步较晚,雪上项目训练方法相对滞后,滑雪运动相关理论研究较少,尤其是滑雪运动员的运动数据采集技术相对落后。运动数据采集的核心是通过传感器测力,传感器的好坏决定了测量的准确性。目前国际上雪板受力测量装置主要由Kistler厂家生产,以压电式传感测量为核心技术。测量原理的局限导致其测量分量也仅为三维力,无法获取力的作用点这个关键的数据参数。同时,此种产品的另一大缺点是压电晶体的电荷会随着时间的增加而衰减,导致长时间的测量会有较大的误差。为解决上述问题,本文采用电阻应变传感测量方式和多支撑多天平测量技术5进行雪板五维力测量系统的研制。测量除绕运动方向轴扭转的力矩以外的3个力及2个力矩,此种测量方式可以测量运动过程各方向受力,同时还可以测量力的作用点,进而对运动的姿态进行分析。总体方案是以三维力传感器为测量基础单元,采用空间力的合成方法得到雪板五维力的测量数据,采用信号调理与无线传输相集成的电路设计实现信号的采集处理。

1 测力系统结构设计

1.1 传感器设计载荷选取

根据滑雪运动的动作与速度对测力系统的载荷进行评估,按6 g过载标准设计本测量系统,雪板测力装置设计载荷如表1所示。
表1 雪板测力装置设计载荷 (N)
项目/单元 纵向力Y 轴向力X 横向力Z
传感器设计载荷 5 000 2 000 2 000

1.2 雪板测力系统的结构原理

由于雪板长度较长,运动过程中受力中心变化较大,导致其具有较大的力矩作用,直接选用单独的多分量传感器进行测量,盒式多分力传感器如图1所示。该传感器的尺寸较长,由传感器的固定端与变形端刚性要求高的设计特点可知该传感器的质量较大,会导致雪板质量大、测量频率低、动态特性差等一系列问题。
图1 盒式多分力传感器
本文借鉴风洞天平的设计原理6-8,采用2个三维力传感器组合对滑雪运动的人体受力情况进行测量,五维力测量装置结构图如图2所示。该种结构布局可以在保证测量准确的情况下,最大限度提高系统的刚度、固有频率、强度,降低系统质量,提高系统的动态性能,满足运动状态下的测量需求。
图2 五维力测量装置结构图
2个三维力传感器结构相同,按滑雪板受力情况进行载荷匹配设计,采用4个竖梁构件结构测量雪板前、后向力及侧向力,采用横向布置横梁测量雪板的竖直方向力,在竖梁构件及纵向力测量横梁上粘贴应变计,可以通过预先标定的系数计算其受载载荷。
三维力传感器为整体结构。4个竖梁构件和纵向力测量横梁作为测量元件,其与滑雪板和雪鞋固定器的连接固定端距离较远,连接固定的应力传递不到测量梁上,可保证测量结果的准确性。
三维力传感器与滑雪板和雪鞋固定器连接面的面积小,且三维力传感器的刚性好,消除了连接面产生变形对测量准度带来的影响。雪板座和固定器座材质为轻质铝合金,并设有减重镂空孔,达到提高刚度、提升固有频率的效果。较好的刚度可以保证前、后2个三维力传感器总体受载时产生的耦合力较小,提高测量精度。总体质量小可以提高系统的响应频率。

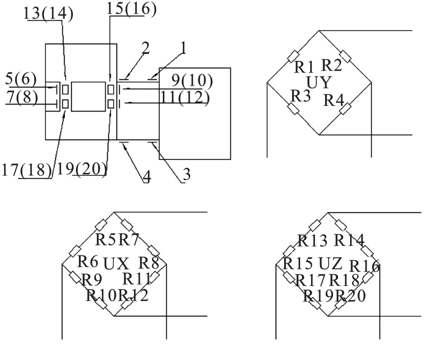
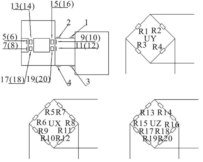
1.2.1 三维力传感器轴向力测量原理

三维力传感器呈“H”型结构,由2个连接端、5个测量元件组成,其结构如图3所示。在轴向作用下测量元件1、2、3、4产生“S”型变形。应变计算如式(1)所示。
ε X = 3 F X L 2 4 E b 2 h 2 2 = 625 × 10 - 6
图3 三维力传感器结构图

1.2.2 三维力传感器纵向力测量原理

在纵向力作用下,测量元件5产生“S”型变形。应变计算如式(2)所示。
ε Y = 3 F Y L 1 E b 1 h 1 2 = 240 × 10 - 6

1.2.3 三维力传感器横向力测量原理

在横向力作用下,测量元件1、2、3、4产生“S”型变形。应变计算如式(3)所示。
ε Z = 3 F Z L 2 4 E h 2 b 2 2 = 625 × 10 - 6
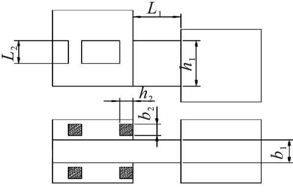
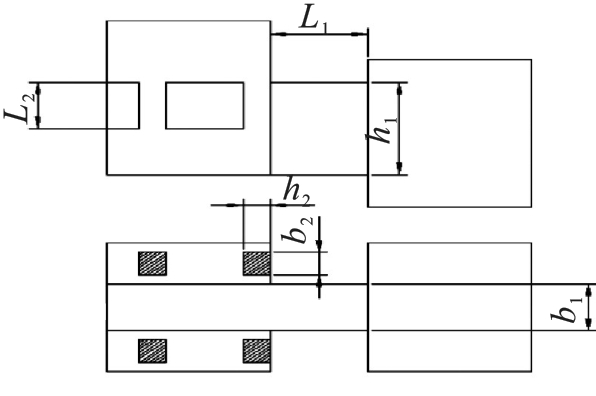
式(1)式(3)中:FYFXFZ 分别为三维力传感器测量的3个分量的载荷;εX、εY、εZ 分别为三维力传感器天平各载荷分量的应变;E为天平材料的弹性模量;其余为结构尺寸,三维力传感器尺寸参数如图4所示。
图4 三维力传感器尺寸参数图

1.3 传感器设计应变有限元验证计算

按照材料力学经验公式对传感器各测量元件尺寸进行优化后,采用有限元法进行验证计算。天平各元件设计应变达到150 με,满足应变天平的设计规范要求,传感器设计应变云图如图5所示。
图5 传感器设计应变云图

1.4 五维力测量系统模态分析

采用ANSYS软件对本测量系统进行模态分析,其一阶频率为703 Hz左右,表明该系统具有较好的动态特性,测量系统模态分析云图如图6所示。
图6 测量系统模态分析云图

1.5 传感器粘贴组桥

在传感器敏感元件位置粘贴应变计组成惠斯通电桥9,其中纵向力Y采用4片应变计组桥,横向力Z与轴向力X采用8片应变计组桥。应变计粘贴位置及桥路组合如图7所示。
图7 应变计粘贴位置及桥路组合

1.6 传感器校准标定

传感器校准标定选用气动院BCR-3天平校准系统进行地轴系单元校准10-12,通过标定干扰量系数进行各分量载荷的解耦13-15。传感器校准准度指标均优于0.4%FS,如表2所示。
表2 传感器校准准度指标
传感器编号 项目/单元 综合加载重复性/(%FS)

综合加载准

度/(%FS)

1#传感器 Y 0.07 0.26
X 0.08 0.09
Z 0.04 0.09
2#传感器 Y 0.10 0.26
X 0.06 0.10
Z 0.05 0.25
3#传感器 Y 0.11 0.35
X 0.06 0.19
Z 0.07 0.13
4#传感器 Y 0.16 0.11
X 0.05 0.09
Z 0.12 0.26

2 五维力的合成转换

由前文可知,本文采用三维力为测量基础单元,测量五维力需要进行力的合成转换。转换方式有两种,其一为将雪板装置安装到五维力的标定装置上进行整体标校,此种方式需要专用装置,成本较高。故本次设计采用的是空间力的合成方法得到测量的五维力,公式为
F X = F X 1 + F X 2 F Y = F Y 1 + F Y 2 F Z = F Z 1 + F Z 2
M Z = F Y 1 L - F Y 2 L M Y = F Z 1 L + F Z 2 L
式(4)式(5)中:FY、FX 、FZ 分别为雪板3个方向力;MZ、MY 分别为绕Z轴及绕Y轴的力矩;FY 1FX 1FZ 1分别为1#传感器3个方向力;FY 2FX 2FZ 2分别为2#传感器3个方向力;L为2个传感器载荷参考中心距离的一半。

3 信号调理电路设计

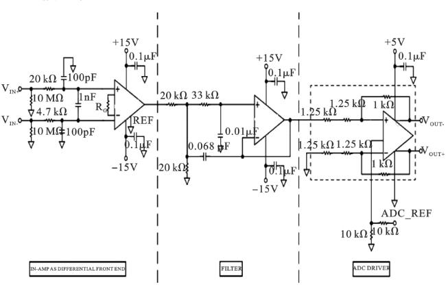
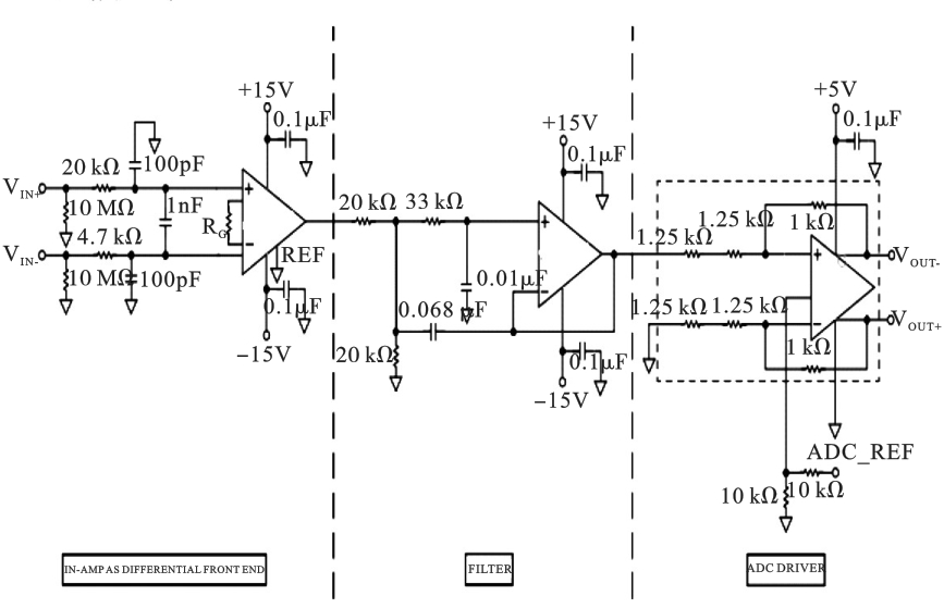
小型化、集成化信号调理电路是实现运动状态下数据采集处理的重要组成部分。按照传感器的载荷范围、静态精度、动态性能等技术需求确立多通道应变式电桥信号采集处理调理模块的设计思路。按设计思路进行计算、仿真、设计、研制各模块(放大、滤波)demo电路。
信号调理电路主要由放大级、滤波级和ADC驱动级3级组成。放大在第一级中,通过差分输入实现前端信号采集。首选差分输入是因其本身具备了噪声抑制特性,而环境噪声通常表现为共模信号,如电源线噪声和接地环路。第一级提供更宽的输入范围、可调增益及随增益而增加的高共模抑制比。第二级使用了一个滤波器。ADC驱动在最后一级中实现。最后一级实现单端至差分的转换及输出信号的转换与缩放,并将结果输入ADC,其原理如图8所示。
图8 信号调理电路原理图

3.1 放大电路部分

第一部分显示采用低噪声仪表放大器实现放大功能,其输入电压噪声密度为nV/ H z级。使用单位增益时,该放大器可让系统具有90 dB以上的共模抑制能力。使用单个电阻即可设置不同的增益值。同时,由于CMRR随增益增加而增加,因此当增益为200倍时,共模抑制能力将保证高于100 dB。前端电路的输入端还包含一个RFI滤波器,防止高频噪声破坏测量结果。

3.2 滤波电路部分

为了限制噪声带宽并避免混叠,采用低噪声JFET运算放大器进行滤波。图8的中央部分显示该器件配置为2极点Sallen-Key滤波器,转折频率为450 Hz。该滤波器仅允许目标频率(200 Hz)通过,从而防止ADC对混叠频率进行采样。来自仪表放大器的信号进入由2个20 kΩ电阻(可根据实际调整阻值)组成的电阻分压器,以便该信号能缩放至ADC的输入(采用0.5 V基准电压源)。

3.3 ADC驱动部分

图8中的右侧所示,它可执行单端至差分的转换,同时提供共模电压引脚,允许用户将输出信号转换为对ADC而言的最佳电信号。本电路中,为了确保输入ADC的信号具有最大的动态范围,输出共模电信号是用于ADC的一半基准电压。考虑到上一级的增益,当ADC使用0.5 V基准电压时,可获得±5 V可用输入范围。

4 实际测量应用

本次试验在沈阳白清寨滑雪场进行,对假人弹射着陆冲击力进行测试,采用气缸拖动方式调节假人运动速度,测试过程及装置如图9所示。其中假人弹射速度为9.6 m/s,左脚的冲击载荷为10 000 N,右脚冲击载荷约为6 000 N。
图9 假人弹射测试过程及装置
采用动量定理对测量结果的准确性进行评估分析,选用公式mv=ft。假人质量为40 kg,弹射速度为9.6 m/s,则动量为384 kg·m/s。对于左脚测量的法向力与时间进行积分得到 冲量为250 N·s;对于右脚测量的法向力与时间进行积分得到冲量为150 N·s,由于作用力方向为同向,则两脚的冲量和为400 N·s。测试的冲量与动量值比较接近,证明测量结果合理可信。同时本测试结果也表明,该五维力测量系统设计合理,可以应用本系统对雪板运动的各受力工况进行测试研究。

5 结 论

1)雪板测力系统的结构设计是合理的。两个三维力传感器的布置较好地提升了测量系统的整体刚度,镂空的铝合金连接结构有效地提高系统的固有频率。
2)雪板测力系统的调理电路设计是合理的,信号调理电路在实现小型化、集成化的基础上,较大限度地避免了噪声影响,准确快速地采集与处理数据。
3)雪板五维力测量系统的研制是成功的。在动态测试过程中,测试数据各元回零良好,测试曲线合理,与理论分析吻合较好,为体育运动测试装置国产化及自主可控奠定了良好的基础。同时该测量系统采用组装结构,成本远低于国外产品,整体框架结构质量仅为1.5 kg,携带方便,具有广泛的应用优势。
1
孙卓鹏.单板滑雪运动损伤研究综述[J].黑龙江科技信息2011(22):246.

2
孙卓鹏.浅析单板滑雪运动的技术要领和装备[J].黑龙江科技信息2011(23):217.

3
李晓东,张瑜,王开义.单板滑雪平行大回转运动员身体训练的理论分析[J].哈尔滨体育学院学报201129(4):16-19.

4
张迪.吉林省优秀越野滑雪运动员训练手段与负荷结构特点分析[J].当代体育科技20133(4):21-22.

5
陈兢,李润,关佐恒.跳台滑雪运动雪板与雪面间摩擦系数研究[J].冰雪运动199214(4):43-45.

6
佟永典,姜军,于树祥,等.自由式滑雪空中技巧运动员跳深落地下肢受冲击力特点的实验研究[J].沈阳体育学院学报200221(2):19-21.

7
钱敏,卞亦文,戈瑜,等.一种多维力测力平台阵列系统的设计[J].测控技术200423(3):24-26.

8
贺德馨.风洞天平[M].北京:国防工业出版社,2001.

9
贺德馨.风洞天平技术论文集[M].绵阳:中国空气动力研究与发展中心,1998.

10
郭鹏腾,王瑾.基于改良惠斯通电桥和滑动滤波算法的电子秤设计[J].国外电子测量技术202039(6):97-101.

11
刘永昌.浅谈应变天平校准方法的比较[J].气动实验与测量控制19882(2):17-20.

12
欧阳万.风洞天平校准的因子法、正交法及单元校[J].气动实验与测量控制19915(1):66-71.

13
周山,刘利平,高建宇,等.三维力传感器静态解耦方法的研究[J].电子测量与仪器学报202034(8):181-187.

14
姚斌,张建勋,代煜,等.用于微创外科手术机器人的多维力传感器解耦方法研究[J].仪器仪表学报202041(1):147-153.

15
邱忠才,肖建,郭冀岭,等.永磁同步电机速度预测电流解耦控制[J].电子测量与仪器学报201529(5):648-654.

文章导航

/